產品參數:
BLD-100A直流無刷電機驅動器雙驅,100A無刷電機驅動器,無刷電機驅動器,電機驅動器廠家
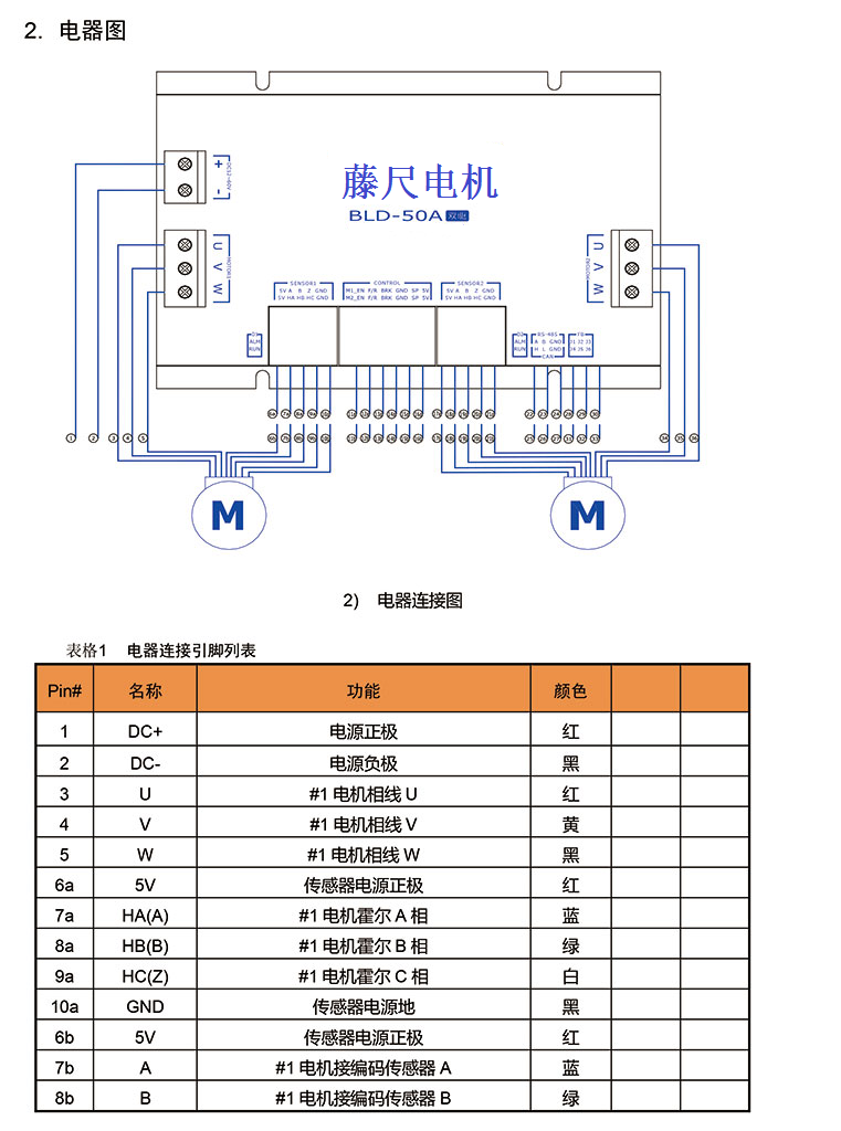
備注:
直流無刷電機驅動器作為電機的控制系統,驅動器的作用是通過軟件算法控制馬達精準運行。
BLD-50A為雙通道電機控制器。
基于雙核ARM 32位MCU設計。可同時適 應基于霍爾傳感器、磁性編碼傳感器及光電編碼 傳感器的無刷電機控制。
對于霍爾傳感器電機可以實現方波或正玄波 算法控制。
對于磁編傳感器或光編傳感器電機,可以采 用FOC正玄算法,實現低轉速、高扭矩及精確定 位控制。
雙路馬達均可以實現不同模式控制:PWM開 環(huán),速度閉環(huán),位置環(huán),力矩模式。
雙路馬達可以獨立控制,也可以配以算法實現 差速同步控制,或混合控制。
控制器配備多種通訊接口,上位機可以通過通 訊協議指令實現系統各種工作目的。
控制器配備基本的控制接口,上位機可以實現 整個系統主要功能。
控制器有相關的故障燈指示,以及特殊控制口輸出。
適用:AGV,履帶工程車,電動輪椅,商用機器人。 具備特殊功能:
《左右同步實現保持直行
來駐車(防滑車、防遛坡)
來多控制信號類型輸入(遙控、搖桿,電位器等) 驅動器,直流無刷電機的驅動器











